Le fournisseur japonais de semiconducteurs Renesas, présente ce jour le groupe de microcontrôleurs RA0E2 fondés sur un cœur Arm Cortex-M23 cadencé à 32 MHz, destinés aux marchés de l’électronique grand public, des petits appareils électroménagers, des outils électriques, de la surveillance industrielle, de l’automatisation des bâtiments… Avec comme particularité sur ces circuits, une consommation d'énergie extrêmement faible : 2,8 mA en mode actif et 0,89 mA en mode veille. De plus, en intégrant un oscillateur à haute vitesse (HOCO, high-speed on-chip oscillator)
qqui assure un temps de réveil très rapide, ces microcontrôleurs peuvent rester plus longtemps en mode veille logicielle là où la consommation d'énergie tombe à seulement 0,25 µA.
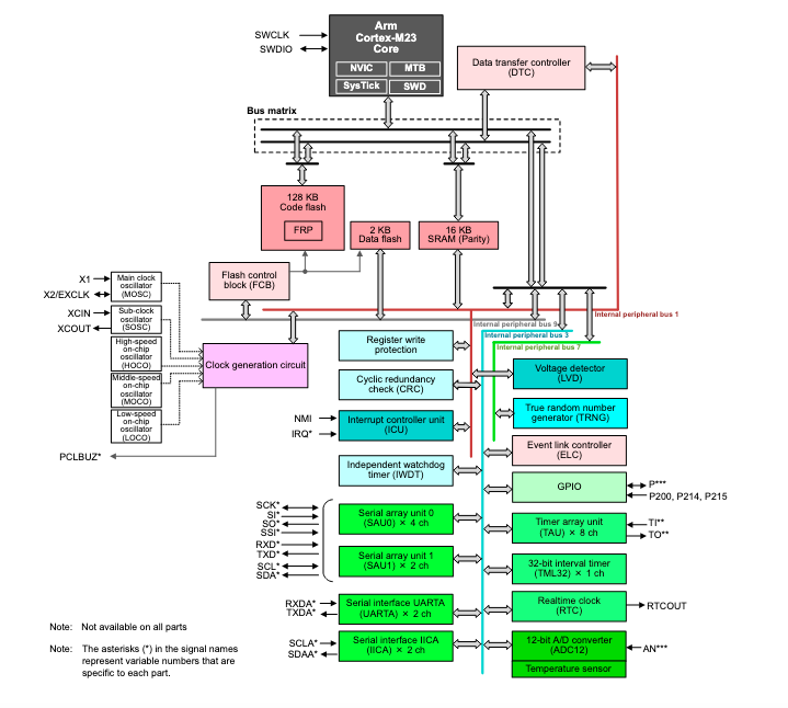
Les microcontrôleurs RA0E2 qui fonctionnent dans une plage de température étendue, - 40°C à 125°C, sont compatibles avec les circuits de la série RA0E1, introduits en 2024 par Renesas. Ils offrent une plage de tension de fonctionnement de 1,6 V à 5,5 V évitant la mise œuvre dans un projet d’un élévateur/abaisseur et d’un régulateur de niveau dans les systèmes 5V.
Ils intègrent en outre des timers, des communications série, des fonctions analogiques, dont un convertisseur analogique/numérique sur 12 bits, des fonctions de sûreté (détection d'accès invalide à la mémoire, détection de fréquence…) et des fonctionnalités de sécurité (identifiant unique, générateur de nombre aléatoire, bibliothèques de cryptographie…).
« Les microcontrôleurs du groupe RA0E2 offrent une consommation ultra-faible pour un prix identique aux RA0E1, indique Daryl Khoo, vice-président de la division Embedded Processing Marketing de Renesas. L'ajout d'une plage de température étendue et jusqu'à 128Ko de mémoire flash et 16Ko de mémoire Sram, ouvre la voie à un grand nombre d'applications et de cas d'utilisation pour ces architectures. »
Les microcontrôleurs du groupe RA0E2 sont pris en charge par le logiciel FSP (Flexible Software Package) de Renesas qui permet un développement rapide des applications en fournissant tous les logiciels d'infrastructure nécessaires, y compris plusieurs systèmes d’exploitation temps réel, des BSP, des pilotes de périphériques, des middleware, des piles logicielles de connectivité et de sécurité, ainsi que des logiciels de référence pour construire des solutions complexes de commande de moteur et d’intelligence artificielle.
Les microcontrôleurs du groupe RA0E2 disponibles dès maintenant sont présentés dans des boîtiers QFN à 32 broches (5 sur 5 mm) et 48 broches et des boîtiers LQFP à 32, 48 et 64 broches.

