Le fournisseur d’instrument de test et de mesure américain Keysight, lance l’oscilloscope temps réel de la gamme Infiniium référencé XR8 dont l’objectif est d’accélérer la validation et la conformité des interfaces numériques à haute vitesse.
Keysight indique que face à l’évolution rapide et à la complexité croissante des normes d’interface telles que l’USB, le DisplayPort et celles concernant les mémoires DDR, les ingénieurs doivent composer avec des marges plus faibles, des débits de données plus élevés et des délais de développement raccourcis. Des contraintes qui entraînent des cycles de validation plus longs, une tolérance au bruit réduite et des contraintes de laboratoire accrues.
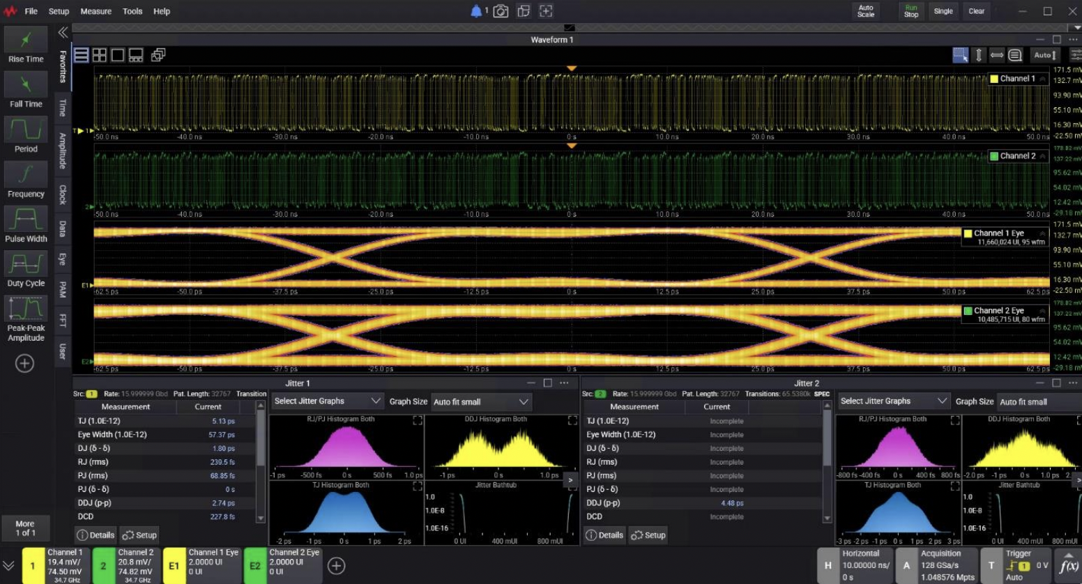
Dans ce paysage, l’Infiniium XR8 propose une architecture matérielle et logicielle nouvelle, optimisée pour les applications numériques à haute vitesse actuelles et les normes émergentes. Celle-ci s’appuie en frontal sur un circuit Asic de traitement des signaux d’entrée développé par Keysight, à savoir un "moteur numérique" composé d’un convertisseur analogique/numérique sur 12 bits et d’un coeur de DSP. L’ensemble vise à préserver l'intégrité du signal, à améliorer la précision temporelle et à fournir des mesures cohérentes et reproductibles sur les interfaces série haute vitesse.
Grâce à l’intégration du convertisseur, du DSP, du contrôleur de mémoire et des fonctions de tampon sur une seule puce, l’oscilloscope XR8 présente ainsi un encombrement réduit et une consommation d’énergie plus faible qu’un oscilloscope de la série UXR de la société.
Ces fonctionnalités sont jugées essentielles par Keysight, pour le débogage et la validation des interfaces haute vitesse actuelles, où de faibles altérations de la qualité du signal peuvent impacter directement les performances du système et les marges de conformité.
Parallèlement, sur cet instrument, Keysight a repensé l’architecture mécanique en vue d’améliorer la consommation d'énergie, l'efficacité thermique et le bruit acoustique. Les ingénieurs peuvent ainsi déployer des oscilloscopes haute performance dans des laboratoires à espace restreint, tout en garantissant un fonctionnement stable et silencieux.
L'interface utilisateur propose des fenêtres de forme d'onde flexibles, une visualisation améliorée et des outils de productivité tels que le glisser-déposer et un enregistreur de commandes SCPI (Standard Commands for Programmable Instruments).
Le traitement multithread optimisé et la gestion de la mémoire permettent aux ingénieurs d'exploiter une décomposition de la gigue améliorée, une analyse des modulations PAM (pulse-amplitude modulation) et une égalisation (equalization) avancée pour une analyse plus approfondie des signaux.
Keysight indique à ce niveau que les nouvelles normes introduisent la modulation multiniveau (PAM3/PAM4), des seuils de gigue/rapport signal/bruit et distorsion (SNDR) plus stricts, et davantage de préréglages d’égalisation. Car si les progrès en matière de finesse de gravure sur les composants numériques testés permettent des vitesses plus élevées, la tolérance aux erreurs est réduite.
Même des problèmes mineurs d’intégrité du signal, comme la diaphonie, l’affaiblissement de retour ou les interférences intersymboles, peuvent entraîner un non-respect des normes ou une instabilité du système.
Côté caractéristiques, l’infiniium XR8 affiche une gigue intrinsèque de 13 fs rms et un niveau de bruit inférieur à 130 µV pour une une bande passante de 8 GHz garantissent une fidélité élevée et une marge de conformité préservée, pour une validation fiable des interfaces telles que l’USB4v2, le DisplayPort 2.1 et la mémoire DDR5. A
u-delà, l’osciloscope XR8 est doté de 4 voies analogiques en entrés, pour une bande passante de 8, 10, 13, 16, 20, 25 ou 33 MHz selon les modèles. La vitesse d’échantillonnage affichée va jusque’à jusqu’à 128 Géch./s par voie pour une profondeur mémoire de 1 Giga points par voie en standard et 8 Giga points en options.
Les tests de conformité actuels exigent la séparation de la gigue totale en composantes déterministe, aléatoire et sinusoïdale. Une décomposition précise nécessite une acquisition de forme d’onde haute fidélité et des mesures de synchronisation précises.

