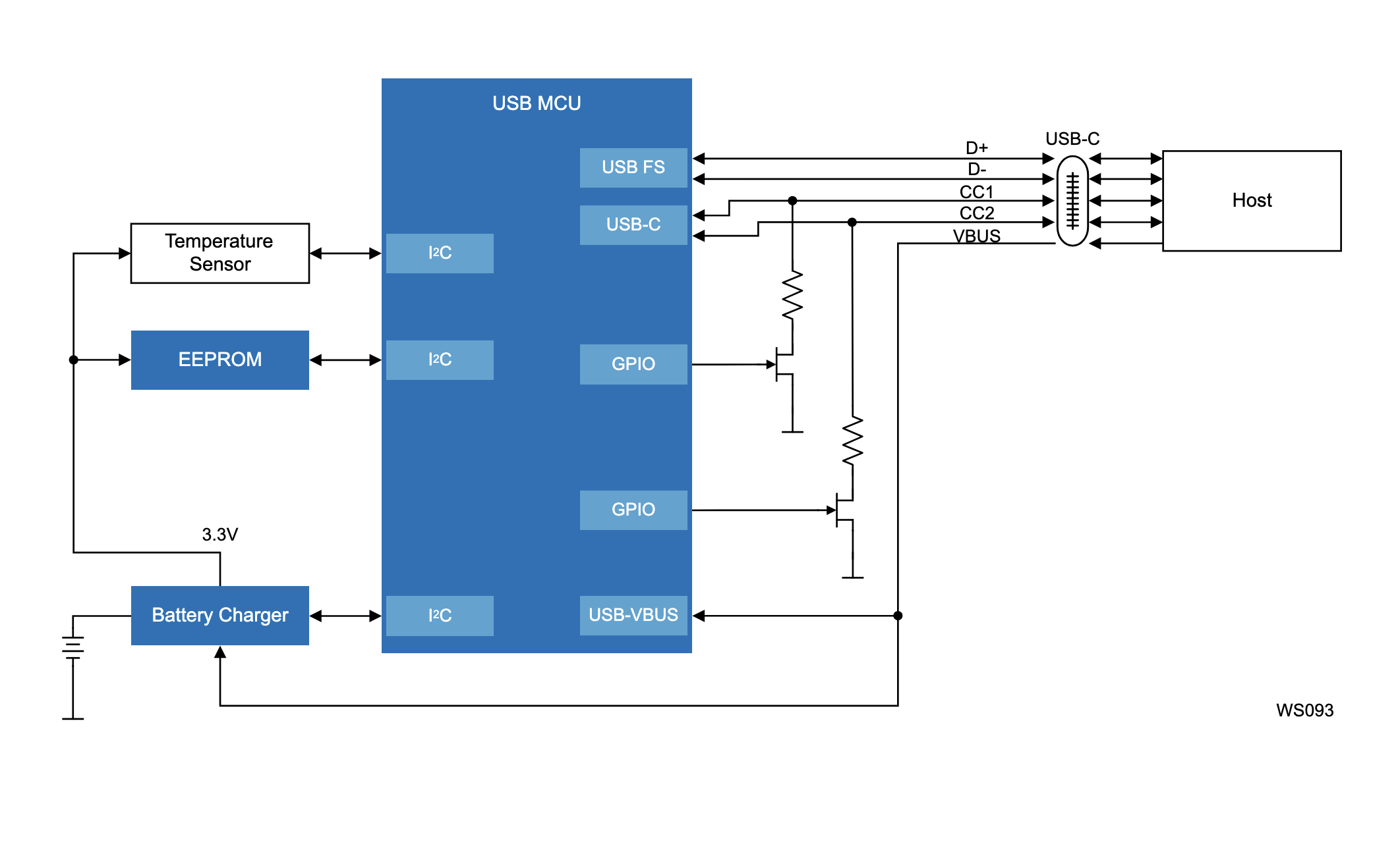
Le circuit RA2L2 du fournisseur de semi-conducteurs Renesas est, selon la société, le premier microcontrôleur basse consommation du marché à prendre en charge la norme USB-C révision 2.4 avec une détection en courant continu de 15 W et la prise en charge de l’USB FS (Full speed). Le microcontrôleur prend également en charge le bus CAN, l'I3C et l'UART basse consommation.
Cette annonce s’inscrit dans la série RA de Renesas, tels que le microcontrôleur à coeur Arm Cortex-M23 RA2A2 lancé en 2024, et le microcontrôleur ultra basse consommation RA4L1 dévoilé plus tôt cette année, avec un fonctionnement à seulement 168 µA/MHz, une mémoire Flash double banque et un écran tactile capacitif.
Dans ce cadre, le microcontrôleur RA2L2 à coeur Arm Cortex-M23 cadencé à 48 MHz intègre également jusqu'à 128 Ko de mémoire Flash de code, 16 Ko de mémoire Sram et 4 Ko de mémoire Flash de données pour un stockage de type EEPROM. Il prend en charge une plage de tension d'alimentation de 1,6 à 5,5 V et une plage de températures de qualité industrielle de - 40 °C à +125 °C.
Le microcontrôleur intègre également un oscillateur intégré de haute précision de ± 1 %, plusieurs temporisateurs, dont des temporisateurs PWM (Pulse Width Modulation) sur 16 bits et 32 bits et des temporisateurs asynchrones basse consommation, un CAN 12 bits, une horloge temps réel et un capteur de température interne.
Disponible en boîtiers de 32 à 64 broches, le circuit propose une compatibilité de brochage et de périphériques avec les familles RA2L1, RA2E1 et RA2A1.
Renesas fournit divers outils logiciels, des exemples de code et des modèles de CAO pour ces microcontrôleurs RA2L2. Ces circuits sont également compatibles avec le package logiciel flexible de Renesas (FSP, Flexible Software Package) qui comprend un ensemble complet de pilotes, un middleware, des packages de support de carte (BSP, Board Support Package) et la prise en charge de multiples options pour des systèmes d’exploitation temps réel.
Les émulateurs, débogueurs et bibliothèques d'interface utilisateur graphique comme emWin de SEGGER sont également pris en charge.
Enfin, Renesas propose également le kit d'évaluation EK-RA2L2 pour le microcontrôleur RA2L2 afin d'aider les développeurs à tester rapidement les applications USB-C basse consommation. Cette carte est livrée avec un débogueur intégré J-Link de Segger, un bornier à vis USB Type-C et un émetteur-récepteur CAN. Pour des extensions, la carte prend également en charge les interfaces Arduino Uno, Pmod, Qwiic et les interfaces optionnelles mikroBUS et Grove, ainsi que des connecteurs traversants pour un accès natif aux broches.

